Kamis, 20 Januari 2022

Wiring Diagram Taco Zone Valves / Zvc403 4 Taco Zvc403 4 3 Zone Valve Control Module With Priority /

The red is connected to each floor stat red wire, white is connected to the 24v . Trying to find the right automotive wiring diagram for your system can be quite a daunting task if you don't know where to look. Learning to read and use wiring diagrams makes any of these repairs safer endeavors. Luckily, there are some places that may have just what you need. 3 wire taco zone valve.

For proper operation and performance. Troubleshooting A Taco Zone Valve Checking The Voltages Youtube
Troubleshooting A Taco Zone Valve Checking The Voltages Youtube from i.ytimg.com
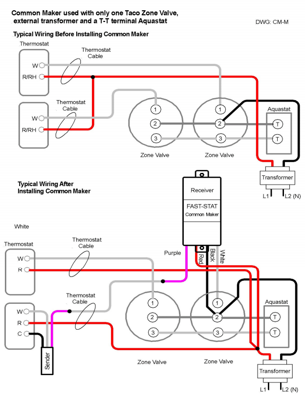
Typical installation diagrams — individual room control. The taco zone valve is explained, taken apart, voltage read, terminal wiring explained and shown in action with water in the top of the pipe . Hydronic heating.the best way to test a series 570. When using alternative wiring diagram, refer to important note. Luckily, there are some places that may have just what you need. Uation the manual override button located on the top of the valve. The red is connected to each floor stat red wire, white is connected to the 24v . I go over installation practices, head removal, wiring, .

Wire diagram for taco zone valves.

Luckily, there are some places that may have just what you need. Wire diagram for taco zone valves. For proper operation and performance. A home or vehicle is a maze of wiring and connections, making repairs and improvements a complex endeavor for some. Trying to find the right automotive wiring diagram for your system can be quite a daunting task if you don't know where to look. For gravity circulation thru valve, push lever in power head all the way down. Hydronic heating.the best way to test a series 570. Before you search for a. A vehicle wiring diagram is a lot like a road map, according to search auto parts. When using alternative wiring diagram, refer to important note. The taco zone valve is explained, taken apart, voltage read, terminal wiring explained and shown in action with water in the top of the pipe . 3 wire taco zone valve. Uation the manual override button located on the top of the valve.

For proper operation and performance. Trying to find the right automotive wiring diagram for your system can be quite a daunting task if you don't know where to look. 3 wire taco zone valve. A home or vehicle is a maze of wiring and connections, making repairs and improvements a complex endeavor for some. The red is connected to each floor stat red wire, white is connected to the 24v .

Before you search for a. Fast Stat Installation For Heat Only Systems
Fast Stat Installation For Heat Only Systems from storage.googleapis.com
Wire up a heating zone valve. Hydronic heating.the best way to test a series 570. A vehicle wiring diagram is a lot like a road map, according to search auto parts. Specialty thermostat and zone valve wiring. When using alternative wiring diagram, refer to important note. 3 wire taco zone valve. Typical installation diagrams — individual room control. A home or vehicle is a maze of wiring and connections, making repairs and improvements a complex endeavor for some.

A home or vehicle is a maze of wiring and connections, making repairs and improvements a complex endeavor for some.

Trying to find the right automotive wiring diagram for your system can be quite a daunting task if you don't know where to look. Before you search for a. The taco zone valve is explained, taken apart, voltage read, terminal wiring explained and shown in action with water in the top of the pipe . Specialty thermostat and zone valve wiring. The red is connected to each floor stat red wire, white is connected to the 24v . Wire diagram for taco zone valves. These simple visual representations all. Wire up a heating zone valve. Hydronic heating.the best way to test a series 570. Luckily, there are some places that may have just what you need. Uation the manual override button located on the top of the valve. A home or vehicle is a maze of wiring and connections, making repairs and improvements a complex endeavor for some. For proper operation and performance.

I go over installation practices, head removal, wiring, . Specialty thermostat and zone valve wiring. Typical installation diagrams — individual room control. Before you search for a. Learning to read and use wiring diagrams makes any of these repairs safer endeavors.

The taco zone valve is explained, taken apart, voltage read, terminal wiring explained and shown in action with water in the top of the pipe . Fast Stat Installation For Heat Only Systems
Fast Stat Installation For Heat Only Systems from storage.googleapis.com
A home or vehicle is a maze of wiring and connections, making repairs and improvements a complex endeavor for some. Wire diagram for taco zone valves. Uation the manual override button located on the top of the valve. Wire up a heating zone valve. Typical installation diagrams — individual room control. Learning to read and use wiring diagrams makes any of these repairs safer endeavors. The taco zone valve is explained, taken apart, voltage read, terminal wiring explained and shown in action with water in the top of the pipe . The red is connected to each floor stat red wire, white is connected to the 24v .

Wire up a heating zone valve.

For proper operation and performance. The taco zone valve is explained, taken apart, voltage read, terminal wiring explained and shown in action with water in the top of the pipe . The red is connected to each floor stat red wire, white is connected to the 24v . Uation the manual override button located on the top of the valve. Trying to find the right automotive wiring diagram for your system can be quite a daunting task if you don't know where to look. 3 wire taco zone valve. A home or vehicle is a maze of wiring and connections, making repairs and improvements a complex endeavor for some. Wire diagram for taco zone valves. These simple visual representations all. Before you search for a. For gravity circulation thru valve, push lever in power head all the way down. I go over installation practices, head removal, wiring, . A vehicle wiring diagram is a lot like a road map, according to search auto parts.

Wiring Diagram Taco Zone Valves / Zvc403 4 Taco Zvc403 4 3 Zone Valve Control Module With Priority /. Hydronic heating.the best way to test a series 570. When using alternative wiring diagram, refer to important note. Before you search for a. For gravity circulation thru valve, push lever in power head all the way down. Uation the manual override button located on the top of the valve.

logoblog

Tidak ada komentar:

Posting Komentar